1
/
of
1
- KUT 625 325VV102 2X1V T5EMC 4XM25MEMC M16M
Bypass switch EMC 3x25A IP66- KUT 625 325VV102 2X1V T5EMC 4XM25MEMC M16M
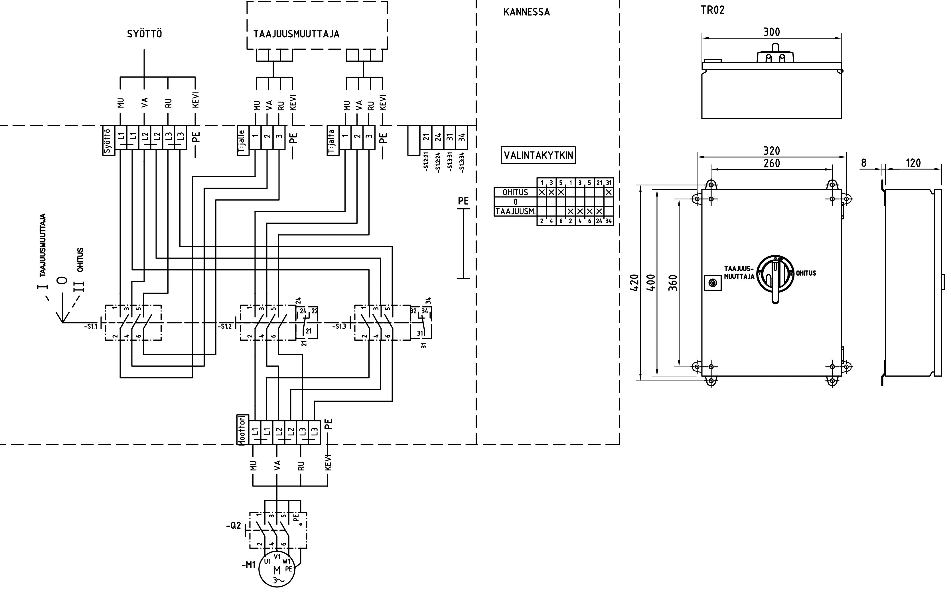
Designed to ensure continuous operation during maintenance or fault situations, Katko bypass switches (16-63A) provide a reliable solution for variable frequency drive (VFD) applications where downtime is not an option. They allow ventilation systems to remain operational while the drive is safely bypassed.
Delivered as enclosed, EMC-protected solutions, these bypass switches support straightforward installation and maintenance. Their robust sheet steel enclosures and optional motor protection make them well suited for demanding ventilation control applications.
E-number FI
GTIN
6419410311554
Rated operational current AC-23A 415V (A)
25
Enclosure type
Painted sheet steel
Enclosure
T5 (300 x 400 x 150 mm)
Looking for more information about this product?
Our team is here to help.

Product details and documents
Technical data
Cable entries
4 x M25 (11,0-17,0 mm), metal EMC; 1 x M16 (5,0-10,0 mm), metal
Depth
150 mm
EMC
true
Enclosure
T5 (300 x 400 x 150 mm)
Enclosure type
Painted sheet steel
ETIM Class
EC000216
E-number FI
3600762
GTIN
6419410311554
Height
400 mm
IP rating
IP66
Long product name
3-pole, Sheet steel enclosure; W300 x H400 x D150,EMC shielded, Cable entries: 4 x M25 (11,0-17,0 mm), metal EMC; 1 x M16 (5,0-10,0 mm), metal
Max. term. torque (Nm)
1,8
Mech. endurance (no. of oper.)
10000
Net weight
9.6925 kg
Nom. values w/cable size (mm²)
4
Number of poles
3
Product type
- KUT 625 325VV102 2X1V T5EMC 4XM25MEMC M16M
Rated breaking cap. ICN AC-23A 415V (A)
200
Rated breaking cap. ICN AC-23A 500V (A)
200
Rated breaking cap. ICN AC-23A 690V (A)
200
Rated fused short-ckt current back-up fuse opt 1 (A)
40
Rated fused short-ckt current RMS Ik opt 1 (kA)
50
Rated fused short-ckt. impulse withstand volt. Uimp (kV)
8
Rated insulation volt. Ui (V)
800
Rated operational current AC-21A 415V (A)
25
Rated operational current AC-21A 500V (A)
25
Rated operational current AC-21A 690V (A)
25
Rated operational current AC-22A 415V (A)
25
Rated operational current AC-22A 500V (A)
25
Rated operational current AC-22A 690V (A)
25
Rated operational current AC-23A 415V (A)
25
Rated operational current AC-23A 500V (A)
25
Rated operational current AC-23A 690V (A)
25
Rated oper. power 3-ph 1500rpm SQ cage motor AC-23A 415V (kW)
11
Rated oper. power 3-ph 1500rpm SQ cage motor AC-23A 500V (kW)
15
Rated oper. power 3-ph 1500rpm SQ cage motor AC-23A 690V (kW)
22
Rated short-ckt. making cap. Icm 690V (kA)
2.5
Rated short-time withstand current 1s Icw 690V (kA)
1.7
Rated therm. current Ithe (A)
25
Rated therm. current Ith (A)
25
Short product description
Bypass switch EMC 3x25A IP66
Technical name
3x25A 400V 11kW
Terminals bolt size (Cu mm²)
1,5..16
Volume
18 l
Width
300 mm
Dimensional drawing
Logistical data
Package size 1
1
Package size 1 depth
150 mm
Package size 1 GTIN code
6419410311554
Package size 1 height
400 mm
Package size 1 volume
18 l
Package size 1 weight
9.6925 kg
Package size 1 width
300 mm
Sales unit
1
Downloadables
- Dimensional drawings media (IsoSafe_T5_Dim.png)
- Connection diagram media (KATKO_taajuusmuuttaja_ohitus_diagram_fi.jpg)
- Brochures (Katko IsoSafe Catalogue - Safety Switches & Isolators)
- Brochures (Katko IsoSafe Tuoteluettelo - Turvakytkimet FI)
- Brochures (Katalog Wyrobów KATKO IsoSafe – Wyłączniki bezpieczeństwa i rozłączniki PL)
- STEP files (IsoSafe_T5.zip)
- STEP files (IsoSafe_T5_LK11__2.zip)
- DWG files (IsoSafe_T5_LKX100.zip)
Related accessories
Not finding what you're looking for? We're here to help!
We can assist you with technical support, quote or tailoring options for this product
Latest News & Insights
-
We Are Hiring: Area Sales Manager (Finland & Baltics)
February 17, 2026 -
The Core of Responsible and Transparent Collaboration – Partner Code of Conduct
February 06, 2025 -
Product Update: Extended Cable Range for 95-Series Connectors
October 30, 2025 -
Jyrki Luomi has been appointed as the Commercial Director of Katko Oy
September 17, 2024 -
New Front Plate for KU 16–40A Switch Series
August 26, 2025 -
KATKO Strengthens Presence in UK: Ian Bullock Appointed Sales Director
November 10, 2025 -
KATKO Strengthens Presence in Sweden: Kim Rannanjärvi Appointed Sales Manager
July 28, 2025 -
Katko Products Available on EPLAN Data Portal
September 14, 2023 -
KATKO LoadSafe Product Family – New Additions, Now Available
January 14, 2025 -
KATKO KL Terminal Blocks Comply with the Requirements of the IEC TS 60947-7-5 Technical Specification
April 29, 2025 -
KATKO Has Published Its First 'Sustainability at KATKO' Report
November 08, 2024 -
Katko and Solar Group Enter Strategic Partnership to Strengthen Nordic Market Presence
February 11, 2026 -
IsoSafe KSM series upgraded – now with better performance and easier installation
March 05, 2026 -
Introducing the Refreshed LK10 handle: New Fresh Design, Same Trusted Performance
September 02, 2024 -
We Are Hiring: Technical Sales Support Specialist
March 11, 2026 -
Discontinuation of 3-pole EVA and VKA 80–160A Switches
June 23, 2025
1
/
of
3